Onyx 1220i
It gives you the familiar hands-on layout of a mixer while feeding audio directly to your computer with convenience and speed.
Onyx 1220i. The 12-channel Mackie Onyx 12i FireWire Recording Mixer combines the benefits of a powerful computer interface with the tactile, hands-on control of a sleek, space-saving premium analog mixer. Mackie Onyx 12i Analog Mixer. You can use it with just about any software, including Pro Tools M-Powered.
If you're looking for a virtually new instrument in possibly less-than-perfect packaging, this is a great value. Card is listed on top brands. Before this Makie, I used to record my instruments with Alesis Multimix 12 Firewire, but the Alesis drivers for Mac are not reliable.
The mackie onyx 16i firewire recording mixer combines the benefits of a powerful firewire interface with the tactile, hands-on control of a premium analog mixer. Shipped in the original box. The Mackie Onyx 0i 8-Channel Compact Recording Mixer at Front End Audio.
Http://bhpho.to/1juAI9X We take a look at 3 Mixers that combine hands-on simplicity for live mixing with FireWire ports for direct. Mackie Onyx 12i 12 Channel FireWire Recording Mixer. Clean only with a dry cloth.
Onyx 12 Features Channel Strips There are two kinds of channel strips on the Onyx 12:. Premium analog features like boutique-quality Onyx mic pres, smooth 60 mm channel faders and the proven tone-sculpting capability of Perkins EQ allows for performance that is unmatched in this category. I'm very inexperienced with computer recording and had some "figuring" to do to make this work with my iMac and Logic.
The mono channel strips (channels 1-4) have mic and line input connectors. The Mackie Onyx 12i features built-in FireWire and combines the benefits of a powerful computer interface with the tactile hands-on control of a premium analog mixer. And that all without further tricks!!!!:) I think also for the newer, there will be a solution.
The 12-channel Onyx 12i delivers stunning performance in a size that is decidedly desk-friendly. Item 1 Mackie Onyx 12i Analog Mixer - Mackie Onyx 12i Analog Mixer. The Onyx Collection manufactures shower bases, shower pans, tub-to-shower conversions, lavatories, tub surrounds, fireplace hearths, slabs, seats, trim and other shower accessories to your specifications in almost any size, shape, and color, for your new or remodeled bathroom needs.
Do not block any ventilation openings. The onyx 12i will only work with the 2.0 driver, so if you have an os before 10.4.11, you will need to check your system for updates from the nice folks at apple. With the ONYX Printer Driver and Profile Download Manager, you can download the latest printer drivers and media profiles.
The mackie onyx 16i is compatable with all major daws including pro tools m-poweredgäó 8. Mackie Onyx 12i FireWire Production Mixer Mackie Onyx-i Series FireWire Production Mixers combine the benefits of a powerful computer interface with the tactile, hands-on control of a premium analog mixer, creating an easy-to-use system that’s perfect for studio or live applications. $27.08 Buyer's Premium (12.50%):.
Left/Right Xlr Main Outputs Onyx 12i Aux send 1 and aux send 2 are independent of each other, so you can set up two separate aux mixes. I have a Mackie Onyx 12i and it has served me well. The new FireWire capable Onyx 12, 16 and 1640 premium analog mixers come equipped new Onyx mic preamps and our completely new Perkins EQ circuitry.
Fortunately, this also works on Sierra. 4.5 out of 5 stars (3) 3 product ratings - Mackie Onyx 12i Analog Mixer. Even my 12i is working with that under win10.
Cash only and local pickup in the Matthews, NC area. Proven, professional features like four Onyx mic preamps and classic Perkins EQ only accentuate the mixer's ample connectivity and clear-cut workflow. See more like this.
Onyx 12i 12-Channel Firewire Recording Mixer. The ProFX22v3 provides you with great sound and features found in larger mixers while remaining portable. The 12i delivers seamless, routing-free FireWire connection to your favorite DAW.
I was sitting in front of the computer about a week after my purchase when the phone rang. Used in home studio. . The 12-channel Mackie Onyx 12i FireWire Recording Mixer combines the benefits of a powerful computer interface with the tactile, hands-on control of a sleek, space-saving premium analog mixer.
Mackie have been terrible about keeping the driver updated and for two releases of the Mac OS it didn’t work (well it did, you just had to bypass Apples security certificate checks via a Terminal command). Mackie Onyx 12i FireWire Mixer Features. We back up that commitment with a Limited Lifetime Warranty on any manufacturing defects in material and workmanship.
Premium analog features like boutique-quality Onyx mic pres, smooth 60 mm channel faders and the proven tone-sculpting capability of Perkins EQ allows for performance that is unmatched in this category. The Mackie Onyx Series 12i is a 12 channel hybrid analog mixer and firewire based audio interface. Onyx-i Series opens up a new world of options for anyone interested in computer recording.
+ Update your shipping location 7 S 0 P O N S O A R P A 7 E E D-1-1 U J-1 0 F J-1-1. Features a large outer pocket for accessories and a study, padded shoulder strap for easy transport. I have had issues with it not working in OSX/MacOS in the last couple of years here and there.
Mackie ONYX 1640 16 FireWire I/O Option Card 24-bit Multi-Channel + GEWÄHR. Gator Cases is dedicated to producing the highest quality cases, bags and accessories. 2 Onyx 12i 1.
Proven, professional features like four Onyx mic preamps and classic Perkins EQ only accentuate the mixer's ample connectivity and clear-cut workflow. The Mackie Onyx 12i combines an analogue mixer and a computer audio interface, which makes complete sense. Os support to survive years of pro tools m-powered 8 compatibility.
Onyx Driver Matrix For complete compatibility details and download links, click here. The Onyx-i FireWire connection has amazing bandwidth, and the 12i takes full advantage. The onyx-i firewire connection has amazing bandwidth.
For more detailed information please visit our Knowledge Base. Proven, professional features like four Onyx mic preamps and classic Perkins EQ only accentuate the mixer's ample connectivity and clear-cut workflow. MACKIE ONYX 12I FIREWIRE DRIVER DOWNLOAD - See any errors on this page?.
Excellent items are almost entirely free from blemishes and other visual defects and have been played or used with the utmost care. POT SLD 10KD 60MM SINGLE NARROW NOBLE. No Longer Available Update Location close.
Onyx 0i Onyx 12i Onyx 16i Onyx 1640i VLZ3 Compact Mixers 402-VLZ3 802-VLZ3 12-VLZ3 1402-VLZ3 1642-VLZ3 1604-VLZ3 2404-VLZ3 34-VLZ3 CFX mkII Live Sound Mixers CFX12.MKII CFX16.MKII CFX.MKII ON-Stage Mixers PROFX8 PROFX12 PROFX16 PROFX22 PPM Powered Mixers PPM608 PPM1008 PPM1012 DIGI. In addition, channels 1 and 2 have high-impedance instrument inputs so you can connect a guitar directly to the mixer. Used Mackie Onyx 12I Unpowered Mixer Gear returned in mint condition.
Mackie Onyx 12i - 12 Channel Recording Mixer Onyx 12i - 12 - 18 Channels:. OVERVIEW Carrying bag for the Mackie Onyx 12i mixer. Recent versions have part and.
Very clean sounding mixer for live sound or recording. Mackie Onyx 16 16-Channel Mixer 16 x 2 Analog Mixer with 8 Onyx Preamps. The mixer itself has four mono channels.
Exactly what I was especting after to read the brochure and especification of this mixer. Power cable included but I do not have a firewire cable to go with it. First, download the ONYX Printer Driver and Profile Download Manager software Once the download is complete, double-click the file and follow the instructions in the.
Onyx-i Series FireWire Production Mixers combine the benefits of a powerful computer interface with the tactile, hands-on control of a premium analog mixer, creating an easy-to-use system that’s perfect for studio or live applications. The onyx 16i features eight full mono mic/line channels each with 4-band dual sweep perkins eq , four stereo channels each with 3-band perkins eq , four aux sends on all channels with pre/post capability and a powerful master section. They finally released an update but for Mavericks.
Audio Booth Mixer into Computer. Save mackie onyx 12i to get e-mail alerts and updates on your eBay Feed. The Mackie ProFX22v3 22-channel USB mixer can do that and much, much more.
Install in accordance with the manufacturer’s instructions. The 12-channel Onyx 12i delivers stunning performance in a size that is decidedly desk-friendly. Mackie Onyx 12i 12-Channel Mixer Firewire.
I updated to MacOS Mojave and it did no. Mackie Onyx Mixers at B&H:. Product description The 12-channel Onyx 12i delivers stunning performance in a size that is decidedly desk-friendly.
All channels, auxes and (of course) the master L/R are simultaneously available to your DAW, with zero routing. Limited Lifetime Warranty Information. Y S P O N.
The Onyx 12i has a universal power supply that can accept any AC voltage ranging from 100 VAC to 240 VAC. Official support for Windows 10 will begin with ONYX 12. Premium analog features like boutique-quality Onyx mic pres, smooth 60 mm channel faders and the proven tone-sculpting capability of Perkins EQ allows for performance that is unmatched in this category.
Onyx-I Serials beginning with 4 - W8-10 supported Onyx-I Serials beginning with 003 - not supported Onyx Firewire Option Card - not supported. The Download Manager application also offers the ability to get printer driver updates. When i built a new windows 10 pc in december, i moved the firewire card.
The onyx1 6i is a pc in the gig. I upgraded from the 12 vlz analog mixer I had for about ten years. Premium analog features like boutique-quality Onyx mic pres, smooth 60 mm channel faders and the proven tone-sculpting capability of Perkins EQ allows for performance that is unmatched in this category.
Item 2 Mackie Onyx 1640 Mixer - Mackie Onyx 1640 Mixer. Onyx 12i works fluently with my Mac Pro, in my case it was just plug and play whithout issues for digital recording. Do not use this apparatus near water.
The 12-channel Mackie Onyx 12i FireWire Recording Mixer combines the benefits of a powerful computer interface with the tactile, hands-on control of a sleek, space-saving premium analog mixer. The 12-channel Mackie Onyx 12i FireWire Recording Mixer combines the benefits of a powerful computer interface with the tactile, hands-on control of a sleek, space-saving premium analog mixer. The 12-channel Onyx 12i delivers stunning performance in a size that is decidedly desk-friendly.
Check the product first before ordering faders!. This 24-bit/96k card bridges the gap between Mackie's flagship Onyx analog mixers and a Mac or PC, giving musicians and engineers a great-sounding and very efficient way to go from analog to digital - without the need for separate converter boxes or interfaces. Auction Closed High Bidder:.
Mackie Onyx i-Series 0i, 12i, 16i & 1640i. This Mackie mixer bag uses high-impact, high-density foam and durable nylon to protect your Mackie Onyx 12i mixer. This mixer is equipped with 17 Onyx preamps that provide top-notch sound for your keyboard, mics, and guitars.
The Onyx i from Mackie is an channel audio mixer. A very solid and flexible mixer with Onyx superb quality pre-amps and built in soundcard (make sure your OS is compatible and you have a Firewire connection or converter). First build of the Onyx 12i used the older faders part 130-031-00 and.
2 users rated this 5 out of 5 stars 2. I love the mixer but don't have any use for it anymore. Onyx 12i Firewire Mixer audio equipment and travel case:.
The 12i combines the analog mixer expertise that Mackie has accumulated, and pairs it with the digital audio work of computers. The Onyx FireWire I/O Card is a true first. This firewire interface is good and the 12i is quiet.
For live sound, you can have your computer connected and route an aux send to your DAW, apply the effect in your software, and route the wet signal back into the fitewire. The professional Onyx 12i is great for live sound reinforcement or studio recording in an durable road-worthy package. I have the Onyx 12i.

Onyx I Series Production Mixers Mackie

Onyx 12i Mass Communication Technical Support Manualzz

Mackie Onyx 12i Firewire 12 Channel Recording Mixer For Sale Online Ebay
Onyx 1220i のギャラリー

Mackie Onyx I Series 0i 12i 16i 1640i Analog Firewire Mixer Teaser Full Compass Youtube
Mackie Onyx 12i 4 Mic 4 Stereo Line Ch Recording Mixer With Integrated 24 Bit 96khz 16x2 Firewire I O Audio Interface Kbb Music

39kmti6a5i4scm

Mackie Onyx 12i Rackmount Kit Keymusic

Mackie Onyx 12i 12 Channel Firewire Analog Mixer Reverb

Onyx 12 I

Dimensions Owner S Manual 31 Need Help With Your New Mixer Mackie Onyx 12i User Manual Page 31 41 Original Mode

Mackie Onyx 12i Real Yahoo Auction Salling

Mackie Onyx 12i Rackmount Ki La Resistance Pro Audio Group

Mackie Onyx 12i

Domaine Gocker Onyx 12i Mixages Sonology Toulouse

Shop Mackie 12 Channel Premium Fire Wire Recording Mixer Onyx 12i Multicolour Online In Dubai Abu Dhabi And All Uae

Amazon Com Mackie Onyx12i Firewire Mixer Skb Onyx 12i Case Musical Instruments

Onyx I Series Production Mixers Mackie

Onyx I Series Production Mixers Mackie

Absolute Auction Realty

Mackie Onyx 12i 12 Channel Firewire Analog Mixer Free Shipping

Onyx I Series Production Mixers Mackie

Onyx I Series Production Mixers Mackie

Mackie Onyx 12i 12 Channel Firewire Recording Mixer Onyx

Mackie Onyx 12i Mixer Evolution Music

Mackie Onyx 12i Firewire Mixer Ln For Sale Online Ebay

Disc Mackie Onyx 12i Firewire Recording Mixer At Gear4music

Amazon Com Mackie Onyx12i Firewire Mixer Skb Onyx 12i Case Musical Instruments

Mackie Onyx 12i Onyx Music Studio Music Instruments

Mackie Onyx 12i Firewire Mixer Musician S Friend

Mackie Onyx 12i Rackmount Kit Keymusic

Mackie Onyx 12i For Sale In Stepaside Dublin From Reggie Cide

Onyx 12i Mackie Onyx 12i Audiofanzine

Mackie Onyx 12i Mixer Evolution Music

Mackie Onyx 12i Mixer Evolution Music

Mackie Onyx 12i 12 Channel Pro Firewire Recording Mixer 5 00 Picclick

Mackie Onyx 12i Firewire Production Mixer

Max0kvhfzovbcm

Rear Panel Power Connection Power Switch Mackie Onyx 12i User Manual Page 11 41 Original Mode
Second Hand Mackie Onyx 12i Mixer No Box At Andertons Music Co

Mackie Onyx 12 Cover Pro Dust Cover For Onyx 12i Firewire Production Mixer Onyx 12 Cover
Mackie Onyx 12i 12 Channel Firewire Recording Mixer With Soft Case Instructions And Driver Disk Pro Audio Equipment Albuquerque New Mexico Facebook Marketplace Facebook
Mackie Onyx 12i Mixer Multitrack Recording Live Sound Ebay

Used Mackie Onyx 12i Recording Mixer Music Media On Carousell
Mackie Rm Onyx 12i Thomann United States
Mackie Onyx 12i Mixer And Firewire Interface 12x2 Channel
Mackie Onyx 12i Mixer

Mesa De Mezclas Mackie Onyx 12i De Segunda Mano Por 260 En Madrid Hispasonic

Mackie Onyx 12i Luckymusic

Mackie Onyx 12i Bag Muziker Ee

Mackie Onyx 12i Audio Mixer Id 6251
Mackie Onyx 12i Analog Mixer Excellent Condition

Mackie Onyx 12i Mixer Flight Case

Mackie Onyx 12i Firewire Mixer With Rack Ears Ship For Sale Online Ebay

Mackie Onyx 12i 12 Channel Pro Firewire Recording Mixer Ebay

Onyx I Series Production Mixers Mackie

Mackie Onyx 12i Users Manual

Mackie Onyx 12i 12 Channel Firewire Recording Mixer Onyx

Mackie Onyx 12i 12 Channel Firewire Analog Mixer Reverb
Mackie Onyx 12i Premium Firewire Recording Mixer

Mackie Onyx 12i Ringo Shop

Mackie Onyx 12i Audio Mixer Id 6251

Mackie Onyx 12i Rackmount Kit Guitar Center

Onyx I Series Production Mixers Mackie

Mackie Onyx 12i Pro Audio Dj 12 Channel Stereo Firewire Mixer Gemini Djx 03 Monitor Headphones 2 Cad Audio

Mackie Rm Onyx 12i Thomann United States

Mackie Onyx 12i 12 Channel Firewire Mixer For Sale In Blackrock Dublin From Talktwomey

Mackie Onyx 12i 12 Ch Compact Recording Mixer Prosound And Stage Lighting
Second Hand Mackie Onyx 12i Mixer No Box At Andertons Music Co

Elado Gs Fanatic
Second Hand Mackie Onyx 12i Mixer No Box At Andertons Music Co
Mackie Rm Onyx 12i Thomann United States

Mackie Onyx 12i 12 Channel Firewire Recordinglive Mixer A Pair Of Yamaha Hs 80 Powered Monitor Speakers For Sale In Wexford From 0u812
Mackie Onyx 12i Firewire Production Mixer ट व व ड य ऑड य

Mackie Onyx 12i Firewire Mixer Zzounds

Disc Mackie Mixer Bag For Onyx 12i At Gear4music

Onyx 12i Recording Mixer On Mercari In Onyx Interface Mercari
Mackie Onyx 12i 12 Firewire 12 Chan Analog Mixer Eq

Mackie Onyx Firewire Mixers Youtube

Mackie Onyx 12i Review Musicradar

Mackie Onyx 12i 12 Channel Firewire Recording Mixer Onyx

Mackie Onyx 12i 12 Channel Firewire Recordinglive Mixer A Pair Of Yamaha Hs 80 Powered Monitor Speakers For Sale In Wexford From 0u812

Mackie Onyx 12i Pro Audio Dj 12 Channel Stereo Firewire Mixer Gator Cases Gmix 1818 6 Tsa Molded Plastic Tsa
Mackie Onyx 12i Firewire Recording Mixer

Mackie Onyx 12i Driver And Firmware Downloads

Max0kvhfzovbcm

Mackie Onyx 12i Powered Mixers Chuck Levin S Washington Music Center

Open Box Mackie Onyx 12i Firewire Mixer Guitar Center

Onyx 12i Mackie Onyx 12i Audiofanzine
Mackie Onyx 12i

Mackie Onyx 12i 12 Channel Firewire Recording Mixer Kit B H

Mackie Onyx 12i Indoshopping
Second Hand Mackie Onyx 12i Mixer No Box At Andertons Music Co

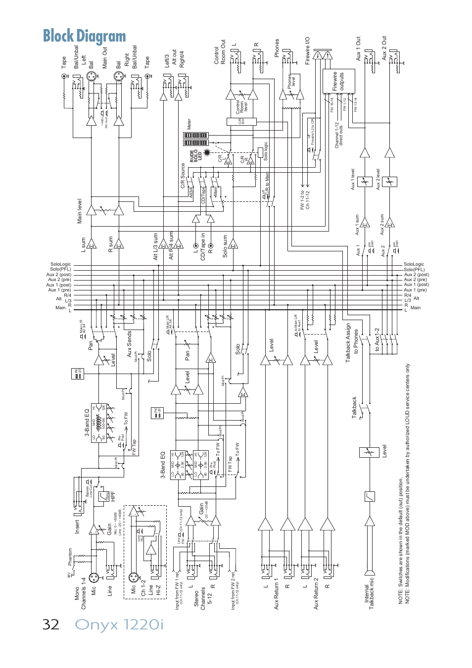
Block Diagram Mackie Onyx 12i User Manual Page 32 41 Original Mode

Appendix A Service Information Troubleshooting Repair Mackie Onyx 12i User Manual Page 27 41 Original Mode

Mackie Onyx 12i Audio Mixer Id 6251

Mackie Onyx 12i 12 Channel Firewire Recording Mixer Onyx

Mackie Onyx 12i 12 Channel Pro Firewire Recording Mixer Tracktion 3 New
Second Hand Mackie Onyx 12i Mixer No Box At Andertons Music Co
Mackie Onyx 12i 12 Channel Multitrack Firewire Mixer
Mackie Com Sites Default Files Product resources Specs Spec Sheets Onyx 12i Ss Pdf



